产品
今年会电竞焊接/搬运专家
始于焊接,不止于焊接
始于焊接,不止于焊接
臂展2.6米,刚性高,负载能力强,运行更平稳。
手臂采用中空结构与内置手腕电缆,减少外部干涉。
手臂电机内置,外观简洁,适于狭小空间作业,运动更灵活。
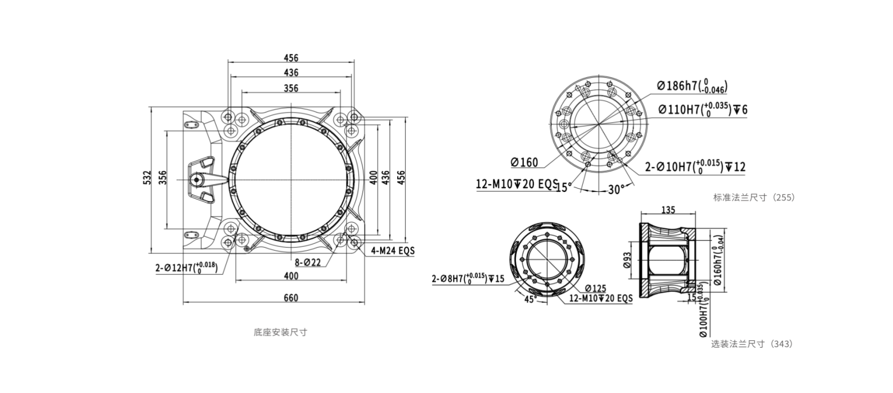
根据用户使用场景,提供多种可选配置,可用于点焊、搬运、打磨,组装等生产线。
本体电缆采用柔性机器人专用电缆。
本体提供中φ12mm双回路气管与φ19.5mm双回路水管,满足焊接、搬运的需求。
采用高速、高过载能力伺服电机、高精度RV减速机与最新防振控制策略等,缩短节距操作时间,优化伺服焊枪的枪轴操作顺序,大幅缩短周期时间。
机器人结构简洁,操作界面友好,易于维护保养,易操作。


