Product
Arm Span
  • no limit
  • Within 1.5 meters
  • Within 2 meters
  • Within 2.5 meters
  • Within 3 meters
  • Within 4 meters
Load
  • no limit
  • Within 10kg
  • Within 30kg
  • Within 50kg
  • Within 100kg
  • Within 200kg
  • Within 400kg
Selection tool
Hey, hello
What can I do to help?

Leave us a message

Please leave a message

CRP-RH32-130
Describe
*Measurement conditions
(1)The robot is firmly fixed on a flat ground;
(2)Test at a distance of 43000mm from the center of rotation of joint JTl,(Noise level varies according to the conditions,background noise has a certain effect)
FUNCTIONAL FEATURES
  • Arm span 3.2 meters, high rigidity,strong load capacity, more stable operation.

  • Adopt a hollow arm structure and built-in wrist cable, without considering the interference caused by the external winding mode with the neighboring robot or peripheral equipment.

  • Adopt a hollow arm structure and built-in wrist cable, without considering the interference caused by the external winding mode with the neighboring robotor peripheral equipment.

  • Adopt a hollow arm structure and built-in wrist cable, without considering the interference caused by the external winding mode with the neighboring robot or peripheral equipment.

  • The robot body adopts highly flexible special cable.

  • Built-in three-phase filter can effectively improve the performance of EMC and EMl.

  • Using high-speed, high-overload capacity servo motor, high-precision RV reducer and the latest anti-vibration control strategy, shorten the pitch operation time, significantly shorten the cycle time.

  • The installation area of the whole machine is small, which can achieve high density installation and wiring and multiple units work together.

  • Simple structure, friendly operation interface,easy maintenance, easy to operate.

ROBOT BODY TECHNICAL PARAMETERS

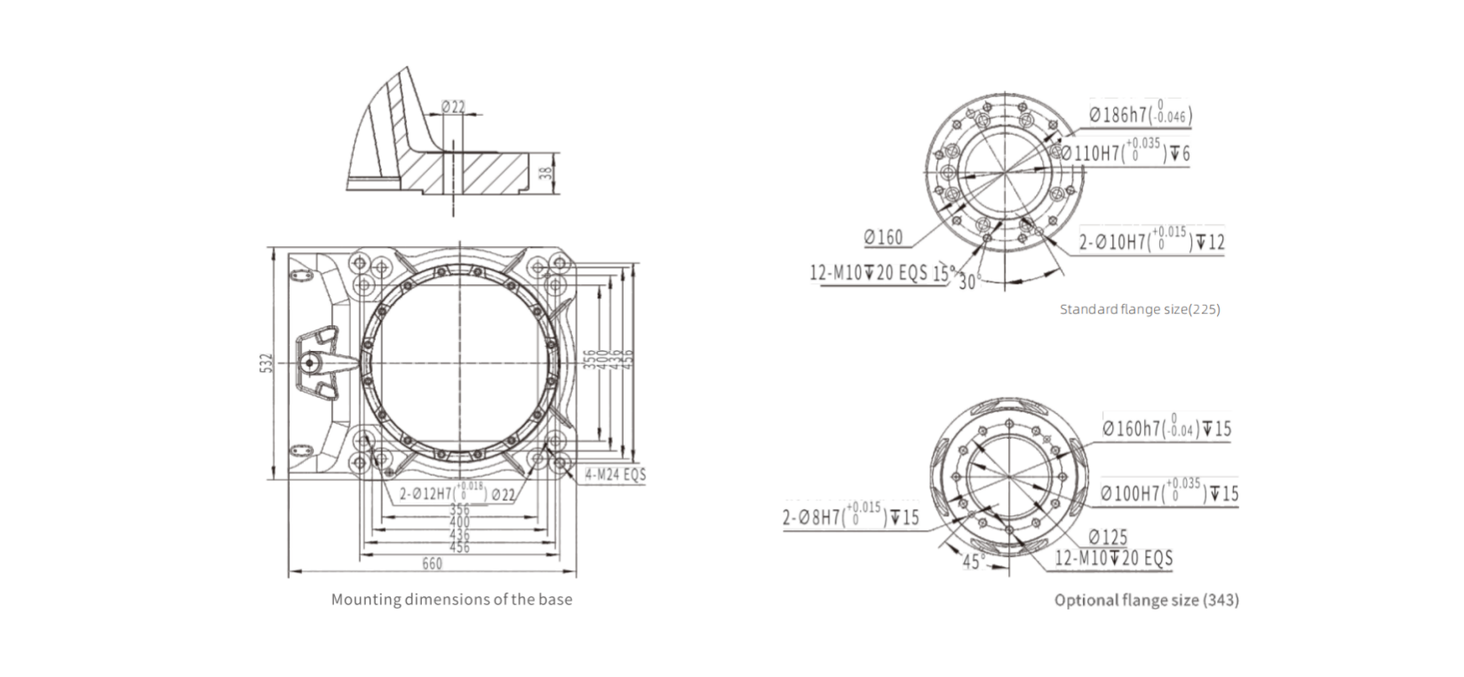
INSTALLATION INTERFACE DIAGRAM

MOTION RANGE DIAGRAM